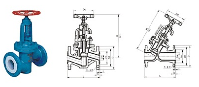
J41F46衬氟截止阀

- 销售:
- 销售:
- 传真:
详情介绍
- 产品介绍
- 服务承诺
- 订货流程
J41F4-16、J41F46-16 型衬氟截止阀适用在 -50~150℃ 的各种浓度的王水、流酸、盐酸、氢氟酸和各种有机酸、强酸、强氧化剂,还适用于各种浓度的强碱有机溶剂以及其它腐蚀性气体,液体介质的管路上使用。
执行标准
设计规范:GB/T 12233 GB/T 12235
结构长度:GB/T 12221
连接法兰:JB/T 78 JB/T 79
试验与检验:GB/T 13927
产品标识:GB/T 12220
供货规范:JB/T 7928
衬氟截止阀 性能规范
衬里、阀座 | 适用温度(℃) | 适用介质 |
PTFE(F4) | ≤180 | 除熔融碱金属、元素氟外的各种浓度的酸、碱、盐、王水、有机酸等强腐蚀性介质 |
PCTFE(F3) | ≤120 | |
FEP(F46) | ≤150 | |
PFA(可熔性F4) | ≤180 | |
PVDF(F2) | ≤100 | |
RPTFE(RF4) | ≤180 |
衬氟截止阀 主要外形尺寸
规格 | L | D | D1 | D2 | f | b | n-d | D0 | H | H1 | |
DN | NPS | 1.0MPa | |||||||||
15 | 90 | 95 | 65 | 45 | 2 | 14 | 4-14 | 100 | 240 | 265 | |
20 | 95 | 105 | 75 | 55 | 2 | 16 | 4-14 | 100 | 245 | 270 | |
25 | 1 | 100 | 115 | 85 | 65 | 2 | 16 | 4-14 | 120 | 250 | 275 |
32 | 1 | 105 | 135 | 100 | 78 | 2 | 18 | 4-18 | 120 | 260 | 290 |
40 | 1 | 115 | 145 | 110 | 85 | 3 | 18 | 4-18 | 140 | 290 | 325 |
50 | 2 | 125 | 160 | 125 | 100 | 3 | 20 | 4-18 | 140 | 300 | 335 |
65 | 2 | 145 | 180 | 145 | 120 | 3 | 20 | 4-18 | 160 | 355 | 400 |
80 | 3 | 155 | 195 | 160 | 135 | 3 | 22 | 4-18 | 160 | 400 | 450 |
100 | 4 | 175 | 215 | 180 | 155 | 3 | 22 | 8-18 | 180 | 455 | 495 |
125 | 5 | 200 | 245 | 210 | 185 | 3 | 24 | 8-18 | 180 | 530 | 560 |
150 | 6 | 225 | 280 | 240 | 210 | 3 | 24 | 8-23 | 240 | 605 | 650 |
200 | 8 | 275 | 335 | 295 | 265 | 3 | 26 | 8-23 | 240 | 650 | 770 |
250 | 10 | 325 | 390 | 350 | 320 | 3 | 28 | 12-23 | 280 | 680 | 800 |
300 | 12 | 375 | 440 | 400 | 368 | 4 | 28 | 12-23 | 280 | 710 | 835 |
1.6MPa | |||||||||||
15 | 90 | 95 | 65 | 45 | 2 | 14 | 4-14 | 100 | 240 | 265 | |
20 | 95 | 105 | 75 | 55 | 2 | 16 | 4-14 | 100 | 245 | 270 | |
25 | 1 | 100 | 115 | 85 | 65 | 2 | 16 | 4-14 | 120 | 250 | 275 |
32 | 1 | 105 | 135 | 100 | 78 | 2 | 18 | 4-18 | 140 | 260 | 290 |
40 | 1 | 115 | 145 | 110 | 85 | 3 | 18 | 4-18 | 140 | 290 | 325 |
50 | 2 | 125 | 160 | 125 | 100 | 3 | 20 | 4-18 | 160 | 300 | 335 |
65 | 2 | 145 | 180 | 145 | 120 | 3 | 20 | 4-18 | 180 | 355 | 400 |
80 | 3 | 155 | 195 | 160 | 135 | 3 | 22 | 8-18 | 240 | 400 | 450 |
100 | 4 | 175 | 215 | 180 | 155 | 3 | 24 | 8-18 | 240 | 455 | 495 |
125 | 5 | 200 | 245 | 210 | 185 | 3 | 26 | 8-18 | 280 | 530 | 560 |
150 | 6 | 225 | 280 | 240 | 210 | 3 | 28 | 8-23 | 320 | 605 | 650 |
200 | 8 | 275 | 335 | 295 | 265 | 3 | 30 | 8-23 | 360 | 650 | 770 |
2.5MPa | |||||||||||
15 | 90 | 95 | 65 | 45 | 2 | 16 | 4-14 | 120 | 245 | 270 | |
20 | 95 | 105 | 75 | 55 | 2 | 16 | 4-14 | 120 | 250 | 275 | |
25 | 1 | 100 | 115 | 85 | 65 | 2 | 16 | 4-14 | 140 | 260 | 290 |
32 | 1 | 105 | 135 | 100 | 78 | 2 | 18 | 4-18 | 140 | 290 | 325 |
40 | 1 | 115 | 145 | 110 | 85 | 3 | 18 | 4-18 | 160 | 300 | 335 |
50 | 2 | 125 | 160 | 125 | 100 | 3 | 20 | 4-18 | 180 | 355 | 400 |
良好的品质、优良的服务 南京鑫宇咖啡饮品有限公司为你创造更多价值!
“南京鑫宇咖啡饮品有限公司”的期望,不断提升服务质量,精益求精,“真诚的服务”是“南京鑫宇咖啡饮品有限公司”永恒的主题。“南京鑫宇咖啡饮品有限公司”严格按照IS09001-2000 质量体系认证要求,质量严格把关, 责任到人,确保生产、销售、服务的健康运行。加强与用户沟通,竭诚为广大客户提供优良产品,至善至美服务。特此我厂做出以下承诺:
产品标准:
产品严格按照中国GB、HG 标准和美国API等标准设计、制造、验收。密封面硬度达到国家规定要求,宽度超过国家标准。
售前服务:
产品介绍,技术交流,非标产品设计,疑难解答。
售中服务:
守信合同,保证及时供货,随时保持与客户联系。 对特殊或复制的产品,我厂安排技术人员对用户进行产品使用、故障排除
售后服务:
1、“南京鑫宇咖啡饮品有限公司”牌产品品质期为自出厂起12个月,实行“三包”服务(包退、包换、保修)。
2、产品在使用中我厂定期组织技术、质检人员进行访问,征询用户对产品质量、 使用状况、改进意见等方面的反馈, 以便进一步提高产品质量。
3、对用户投诉质量问题,快速作出反应,售后服务人员在24-36小时(省外48小时)赶赴现场。
4、对售后服务,要求用户填写服务后的质量反馈信息表,并作出鉴定意见,以便提高南京鑫宇咖啡饮品有限公司的服务质量。
1、客户如对产品有特殊要求,须在订货合同中提供以下说明:
a、结构长度;
b、连接形式;
c、公称直径、全通径、缩径、管道尺寸;
d、运行介质及温度、压力范围;
e、试验、检验标准及其他要求
2、本厂可根据客户特定要求配置各类驱动装置。
3、如由客户提供确定的阀门类型和型号时,客户应正确说明其型号的含义和要求,在供需双方理解一致的条件下签订合同。
4、期货、订货的客户请先来电函详细告诉所需的阀门型号、规格、数量以及交货时间、地点,并按总的30%预定金或全额货款及时汇入我厂帐户,其余货款待发货前汇入,以便及时安排发货。
订单流程:
1、客户采购清单传真至,或来电咨询
2、收到客户采购清单,为客户提供阀门型号选型与报价(价格清单)。
3、具体商定:交货期、特殊要求等事宜。
订货须知:
1、客户如对产品有特殊要求,须在订货合同中提供以下说明:
|
|||||
|
|||||
2、本厂可根据客户特定要求配置各类驱动装置。
|
|||||
3、如由客户提供确定的阀门类型和型号时,客户应正确说明其型号的含义和要求,在供需双方理解一致的条件下签订合同。
|
|||||
4、期货、订货的客户请先来电函详细告诉所需的阀门型号、规格、数量以及交货时间、地点,并按总的30%预定金或全额货款及时汇入我厂账户, 其余货款待发货前汇入,以便及时安排发货。
|
售中服务:
守信合同,保证及时供货,随时保持与客户联系。
对特殊或复制的产品,我厂安排技术人员对用户进行产品使用、故障排除
售后服务:
1、“南京鑫宇咖啡饮品有限公司”产品品质期为自出厂起12个月,实行“三包”服务(包退、包换、保修)。
2、产品在使用中我厂定期组织技术、质检人员进行访问,征询用户对产品质量、使用状况、改进意见等方面的反馈,
以便进一步提高产品质量。
3、对用户投诉质量问题,快速作出反应,售后服务人员在24-36小时(省外48小时)赶赴现场。
4、对售后服务,要求用户填写服务后的质量反馈信息表,并作出鉴定意见,以便提高“南京鑫宇咖啡饮品有限公司”的服务质量。
声明 |
|